|
生产,销售,服务为一体的综合型企业。电液推杆行业的资深厂家,公司生产的电液推杆广泛应用于化工,矿山,冶金,电力,工程建设,智能科技等领域。公司产品严格执行ISO9001-2000质量管理体系认证标准,确保了产品的质量。本公司所生产的电液推杆产品在同行中处于领先水平,我们从电液推杆的电机选择,到液压油缸的密封件(进口),到电液推杆表面的油漆,都进行严格把关,大大增加了产品都寿命。
DYTZ型整体直式电液推杆技术参数选型表
|
型号
|
额定输出力(Kgf)
|
额定速度(mm/s)(特殊速度可定制)
|
电机型号
|
行程制造范围
|
速度制造范围
|
|
推力
|
拉力
|
推速
|
拉速
|
(kw)
|
(mm)
|
(mm)
|
|
DYTZ
|
450
|
450
|
300
|
45/70/115/160
|
65/100/145/200
|
0.55/0.75/0.75/1.1
|
5-1000
|
5-250
|
|
750
|
750
|
500
|
30/45/70/100
|
43/65/100/165
|
0.55/0.75/1.1/1.1
|
5-1500
|
5-170
|
|
1000
|
1000
|
700
|
30/45/70/100
|
43/65/100/145
|
0.75/1.1/1.5/2.2
|
5-1500
|
5-170
|
|
1750
|
1750
|
1300
|
30/45/70/100
|
43/65/100/145
|
0.75/1.5/2.2/3.0
|
5-1500
|
5-170
|
|
2500
|
2500
|
1900
|
24/36/60/97
|
36/53/90/144
|
1.1/1.5/2.2/3.0
|
5-2000
|
5-150
|
|
3000
|
3000
|
2200
|
18/27/45/70
|
27/40/68/108
|
1.1/1.5/2.2/3.0
|
5-2500
|
5-110
|
|
4000
|
4000
|
3000
|
14/35/55/70
|
21/53/85/108
|
1.1/2.2/3.0/4.0
|
5-2500
|
5-85
|
|
5000
|
5000
|
3800
|
18/30/48/60
|
23/39/63/78
|
1.5/2.2/3.0/4.0
|
5-2500
|
5-75
|
|
6000
|
6000
|
4500
|
18/30/48/60
|
23/39/63/78
|
1.5/3.0/4.0/5.5
|
5-3000
|
5-75
|
|
8000
|
8000
|
6500
|
10/18/25/38
|
13/23/33/47
|
1.5/2.2/3.0/4.0
|
5-3000
|
5-50
|
|
10000
|
10000
|
8100
|
8/14/20/30/39
|
10/17/25/37/48
|
1.5/2.2/3.0/4.0/5.5
|
5-3000
|
5-39
|
|
15000
|
15000
|
11500
|
7/12/19/24/30
|
8/14/22/28/36
|
1.5/3.0/4.0/5.5/7.5
|
5-3000
|
5-30
|
|
20000
|
20000
|
16000
|
5.5/9.5/15/19/23
|
6.5/11/18/22/27
|
2.2/3.0/4.0/5.5/7.5
|
5-3000
|
5-23
|
选用DYTZ型整体直式电液推杆您需要了解:
1、上列表中的电机电压等级为380V,防护等级为IP44,绝缘等级为B级(根据用户要求可配660/1140或415V,防护等级为IP54、IP55、IP65,或耐高温(120℃)等特殊电机。
2、表中的电机型号及功率,指该推杆在额定输出力、额定速度时为最大值的功率,电机功率与推拉力成正比。
3、表中额定速度为常规速度,若推拉速有特殊要求订货时需说明,若超出表中行程制造范围必须在订货时说明。
4、若无特殊说明电液推杆使用地点的海拔高度不超过1000m,月平均最高相对湿度不超过90%,电液推杆使用的工作环境温度为:-5~+50℃,工作介质随环境温度不同,选用合适的液压油(-5~+20℃时采用32#抗磨液压油(L—HM32),+20~+50℃时采用46#抗磨液压油(L-HM46)),液压油加注前需过滤,过滤精度100μm以上。
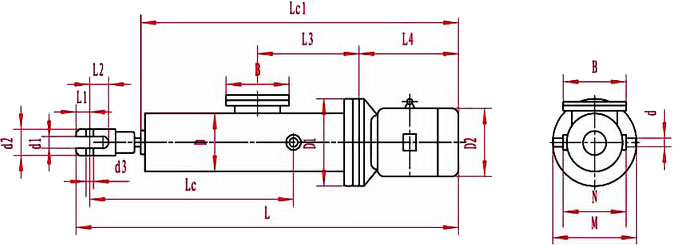
DYTZ型整体直式电液推杆外形尺寸及安装尺寸
|
整体直式电液推杆型号示例:DYTZ1000-550/45-p
|
注意:订货时若需随机订购外行程装置或手轮等附件需另行注明!
|
|
型号
|
外形尺寸(mm)
注:表中均为推杆缩回状态尺寸,S为行程
|
安装尺寸(mm)
注:电机相关尺寸根据电机型号及实物定
|
|
Lc
|
Lc1
|
L
|
L1
|
L2
|
L3
|
L4
|
d
|
d1
|
d2
|
d3
|
D
|
D1
|
D2
|
M
|
N
|
B
|
|
DYTZ
|
450
|
373+S
|
670+S
|
785+S
|
24
|
30
|
245
|
246
|
Φ20
|
18
|
Φ40
|
Φ12
|
Φ146
|
Φ200
|
Φ175
|
220
|
160
|
150
|
|
750
|
373+S
|
689+S
|
844+S
|
30
|
45
|
248
|
246
|
Φ30
|
25
|
Φ60
|
Φ20
|
Φ146
|
Φ200
|
Φ175
|
225
|
165
|
150
|
|
1000
|
373+S
|
710+S
|
865+S
|
30
|
45
|
248
|
261
|
Φ30
|
25
|
Φ60
|
Φ20
|
Φ146
|
Φ200
|
Φ175
|
225
|
165
|
150
|
|
1750
|
373+S
|
735+S
|
890+S
|
30
|
45
|
254
|
286
|
Φ30
|
25
|
Φ60
|
Φ20
|
Φ146
|
Φ200
|
Φ195
|
225
|
165
|
150
|
|
2500
|
373+S
|
735+S
|
890+S
|
30
|
45
|
254
|
286
|
Φ30
|
25
|
Φ60
|
Φ20
|
Φ159
|
Φ200
|
Φ195
|
242
|
182
|
150
|
|
3000
|
383+S
|
769+S
|
944+S
|
40
|
50
|
260
|
316
|
Φ30
|
30
|
Φ70
|
Φ30
|
Φ159
|
Φ250
|
Φ215
|
242
|
182
|
150
|
|
4000
|
383+S
|
788+S
|
963+S
|
40
|
50
|
260
|
316
|
Φ40
|
30
|
Φ70
|
Φ30
|
Φ159
|
Φ250
|
Φ215
|
242
|
182
|
150
|
|
5000
|
383+S
|
798+S
|
973+S
|
40
|
50
|
263
|
316
|
Φ40
|
30
|
Φ70
|
Φ30
|
Φ180
|
Φ250
|
Φ215
|
290
|
210
|
150
|
|
6000
|
388+S
|
798+S
|
986+S
|
42.5
|
55
|
263
|
316
|
Φ50
|
35
|
Φ75
|
Φ35
|
Φ180
|
Φ250
|
Φ215
|
290
|
210
|
150
|
|
8000
|
388+S
|
808+S
|
1003+S
|
42.5
|
55
|
263
|
316
|
Φ50
|
35
|
Φ75
|
Φ35
|
Φ219
|
Φ250
|
Φ215
|
330
|
250
|
150
|
|
10000
|
388+S
|
835+S
|
1022+S
|
42.5
|
55
|
270
|
336
|
Φ50
|
35
|
Φ75
|
Φ35
|
Φ219
|
Φ250
|
Φ240
|
330
|
250
|
200
|
|
15000
|
398+S
|
907+S
|
1107+S
|
50
|
60
|
270
|
391
|
Φ60
|
85
|
Φ90
|
Φ40
|
Φ245
|
Φ300
|
Φ275
|
380
|
280
|
200
|
|
20000
|
398+S
|
907+S
|
1107+S
|
50
|
60
|
270
|
391
|
Φ60
|
85
|
Φ120
|
Φ40
|
Φ300
|
Φ300
|
Φ275
|
440
|
340
|
200
|
整体直式电液推杆整体结构性能
液压控制阀组主要由溢流阀,吸油单向阀,调速阀(用户要求),液控单向阀(液压锁)等组成,也可根据电液推杆的工作特性,设计不同功能的油路组合阀,满足其工作要求。一般有推出自锁,拉回自锁和推拉均自锁;运行速度有可调速型,不可调速型;电液推杆工作角度有水平推,向上推(包括斜向上),向下推(包括斜向下)等几种。整体直式电液推杆主要有以下优点:
(1)结构紧凑、安装方便、占据空间小、维护简单。
(2)可带负荷起动,具有过载保护功能。
(3)回路设双向液压锁,可停在规定行程范围内的任意位置并自锁,且保持输出力不变。
(4)推拉力,速度(用户要求)无级可调,驱动力范围极广。
(5)因故断电,推杆自锁,避免发生事故。
(6)采用全液压传动,动作灵敏,运行平稳,能有效缓冲外来冲击力,行程控制精确(≥0.5mm)
(7)机电液一体化全封闭结构,工作油路循环于无压的封闭钢筒里,体积小,不渗油,在恶劣的 工作环境下,不吸尘,不进水,内部不锈蚀,使用寿命长。
电液推杆工作原理图

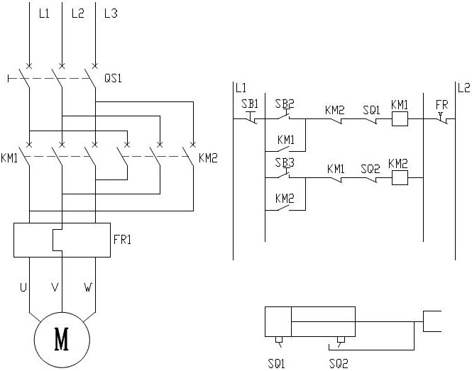
整体直式电液推杆电控原理图
注:SQ1、SQ2为电液推杆外行程限位开关(220V,常闭型接近开关,型号:BLJ12A4-4-J/DM),外行程装置及接近开关为选购配件,用户若无特别注明,则不带外行程装置及接近开关。
|